大家好我是三三~
大家好我是三三~夏天到啦 换上冰丝凉席可舒服了!之前有放过我家的主卧衣柜,有一些大家问的比较多的问题统一做答复~-隔音怎么样?我并没有把墙全部敲完,而是敲到右边一列开放式柜子...
探析木屑再生玻璃纤维杂化复合材料的研究
探析:木屑再生玻璃纤维杂化复合材料的研究本研究的目的是评估以环氧树脂为粘合剂,由(火炬松和长叶松)木材颗粒制成的机械回收玻璃纤维刨花板的可行性。玻璃纤维是一类特殊的材料...
去年参加卡塔尔世界杯的卡塔尔航空招聘啦今日头条
去年参加卡塔尔世界杯的卡塔尔航空招聘啦@今日头条 QualificationsTo be successful in this role, you will have the following :Minimum age: 21 yearsMinimum arm reach...
跨境电商国货出海(国货出海已经成为外媒争相报道的高频词汇,随着跨境电商的发展)
“国货出海”已经成为外媒争相报道的高频词汇。随着跨境电商的发展,国外消费者通过跨境电商购买来自中国物美价廉的优质货物,如今的外媒将注意力放到了中国电商行业。有英国广...
平台与自营有何区别?都说合久必分,分久必合,运营商和消费者永远都是其中的主
平台与自营有何区别?都说“合久必分,分久必合”,运营商和消费者永远都是其中的“主角”,不知道大家对这个企业一直在“偷偷”自建自营物流有什么看法?最近有媒体报道,阿里的零售事...
希腊神话讲述了从地球表面拔出的生物,并被奉为夜空中的星座,今天
希腊神话讲述了从地球表面拔出的生物,并被奉为夜空中的星座。今天,类似的事情正在计算世界中发生。数据和程序正被从台式电脑和公司的服务器机房中抽出,安装在"云计算"中。无论...
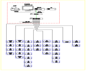
电力监控系统项目在湖北保利大酒店配电房改造工程中的设计与应用
电力监控系统项目在湖北保利大酒店配电房改造工程中的设计与应用作者:安科瑞黄飞蓉摘要:本文介绍湖北保利大酒店配电房改造工程电力监控系统,采用智能电力仪表、采集配电现场的...
职场沟通,不是掏心窝子、说真心话就可以的
职场沟通,不是“掏心窝子、说真心话”就可以的,你的“真心话”,一定要巧妙地讲,对方才容易接受,否则,你就是在“冒险”。18个沟通场景、18个沟通公式,直接套用就行:#职场达人炼成记#...
16个统计类函数(一),每天都要使用,如果能够熟练掌握,提高效率不止一点点哦!
16个统计类函数(一),每天都要使用,如果能够熟练掌握,提高效率不止一点点哦!统计分析,可以说是Excel的看家本领,除了一些高大上的功能外,我们还需掌握一些常用的统计函数。一、最大值...
成绩报告单学霸家长评语(成绩报告单的发展之路)
【成绩报告单的发展之路,家长请您多一些体谅】看到成绩单上贴着的评语,让我感觉似曾相识。看了评论区留言,众说纷纭,有觉得老师敷衍的,有觉得老师写评语不易的。不管怎么样,基本都...
