1.如果你在建设单位,也就是甲方想评审高级职称,那么业绩证明资料需要以下几项: 一:施工合同。
2.很多施工合同中都注明的有这么一句话:“发包人代表:XXX或甲方委托XXX对项目进行管理”等类似的描述,这些都能证明自己参与了项目的管理,可以是总承包合同,也可以是甲分包合同。
3.二、业主委托书或任命书,任命书中一般都会描述清楚具体负责的项目名称及负责内容,如:质量、安全、进度、成本、文明施工等
4.三、施工组织设计,经评审通过的施工组织设计是需要甲方签字的
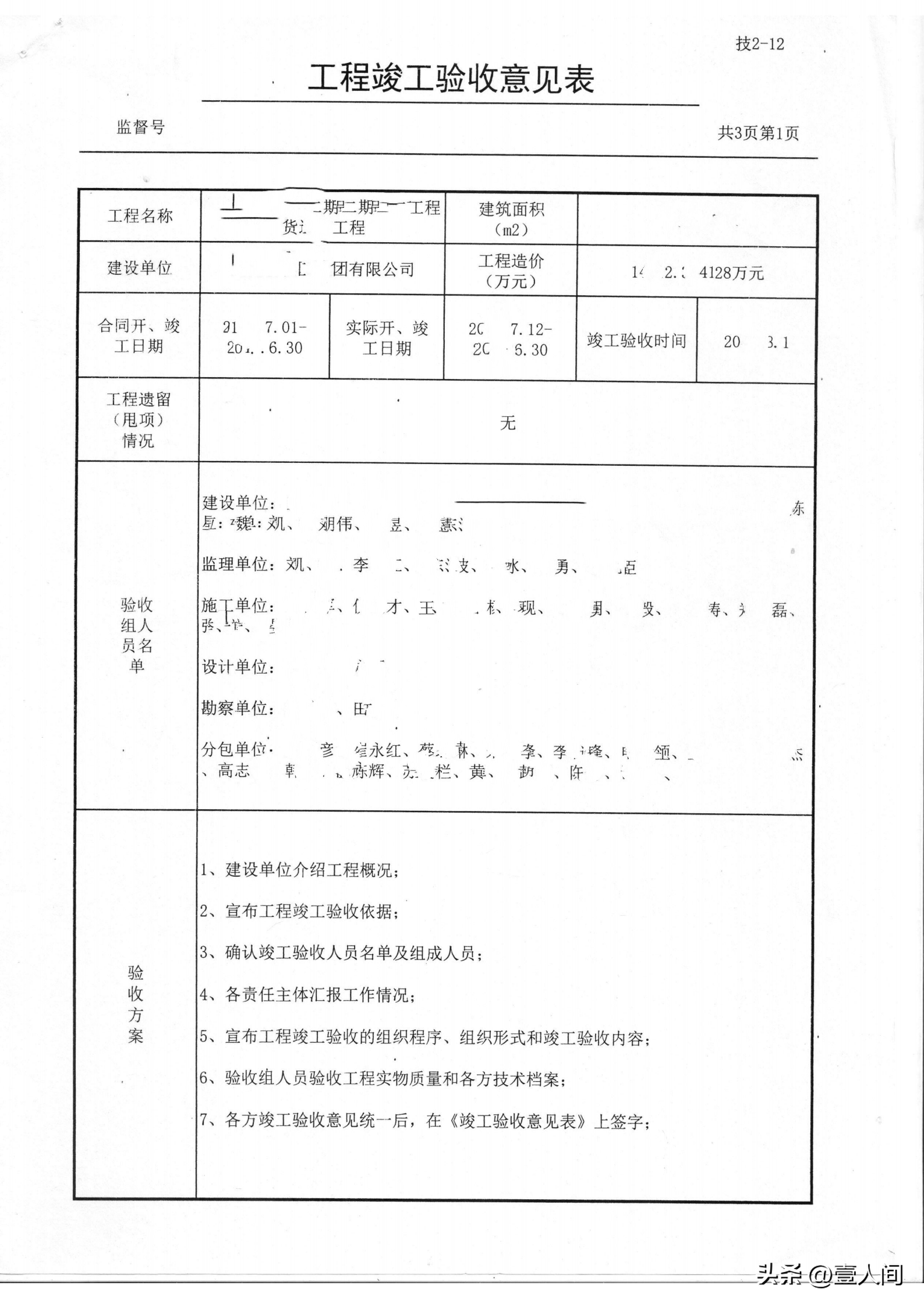
5.四、分部分项工程、单位工程、竣工验收表或验收人员名单表等都需要建设单位人员参加
6.以上是作为建设单位甲方人员评审职称时所需要的业绩资料,这些资料都能证明自己参与此项目管理的痕迹,希望对大家有所帮助
7. 往期回顾:高级工程师凭什么比一级建造师更容易就业参加两次高级工程师答辩,现将答辩总结分享大家。
