超声波电机优化迭代学习控制研究
超声波电机(UltrasionicMotor,USM)是近些年在国内外逐渐发展起来的一种新型微电机。
一般来说频率大于20kHz就可称其为超声波。随着超声波电机的种类[1]逐渐丰富,按照波的传播方式不同分为行波和驻波;按照转子运动的自由度数,分为单自由度和多自由度。
超声波电机除了其工作频率的特殊性,与人们常熟知的同步电机和异步电机这类电磁型电机相比,最大的不同是超声波电机不存在绕组和磁极部分。
超声波电机是由振动体和移动体两部分组成,其中振动体就相当于传统电磁型电机中的定子部分,振动体由压电陶瓷和金属弹性材料制成。
所谓压电陶瓷的作用是当超声波电机在通过不同的电压时,随着压电陶瓷的变化,使得金属弹性材料发生超声波振动。
这种特殊的结构造成了超声波电机的工作原理与传统电磁型电机需要通过电磁作用才能产生机械力的工作原理大不相同。
这种特殊的工作原理,给超声波电机带来了独特的优点。
因为没有绕组和磁极部分,所以超声波电机的体积相对偏小,重量也相对较轻。
在实际应用中,可以减轻物体的整体重量,使得使用者有更好的体验感,同时亦可应用于微型机械技术中的微驱动器。
超声波电机的工作频率在我们人类听到的声音范围之外,所以在工作的时候大大减少了噪声的干扰。
超声波电机相较传统电磁型电机最大的优点在于可以很容易实行低速运动,并保持较大转矩的输出,可以用于建造精密的仪器和仪表。
超声波电机响应速度快,启动和制动方便且迅速,可以实现高精度的速度控制和定位控制。
超声波电机对工作环境的适应性强,可以满足极端温度下的使用需求,例如TRUM-30A超声波电机目前已经可以在-120至180度进行工作。
随着科技的不断发展,传统电磁型电机的缺点逐渐开始放大,但由于我国开始研究超声波电机比较晚,所以针对超声波电仍然有很大的科研空间。
同时,因为超声波电机存在独特的工作特性,使得其在航空航天、精密仪器、精密定位系统、机器人、医疗卫生以及军事建设等领域得到广泛的关注。
针对超声波电机非线性特性,采用乌鸦搜索算法的非线性Hammerstein辨识建模。
对超声波电机的静态非线性部分和动态线性部分同时进行辨识建模,且将常用多项式形式表示动态线性部分改为使用高斯拟合的方法提前确定待辨识参数的取值范围,减小初始迭代的随机性。
使用乌鸦搜索算法作为优化算法,除了需要考虑目标函数值的大小,还考虑了乌鸦在迭代过程中的位置。
同时,将改进乌鸦搜索算法中固定的步长值改为变化的步长值,使得超声波电机模型计算转速和实测转速之间的误差不断减小。
最后,对比分析所建模型得到的转速与实测转速,证明利用乌鸦搜索算法辨识建模后得到的模型具有准确性。
数学模型对于超声波电机转速控制器的设计非常重要。数学模型不仅用于对超声波电机系统进行分析,而且用于对开环系统和闭环系统的仿真。
在基于数学模型的超声波电机转速控制器离线设计中,数学模型对控制系统的选择具有重要的影响,在设计好的控制器中往往将对象模型作为控制策略的一部分。
本课题所述逆模型控制算法是基于矩阵理论和算子描述来进行研究的,从而建立和分析适当的信号空间的几何联系。
逆模型算法具有易用性、单调性和可分析性的优点,梯度算法也具有这些优点。
同样,梯度算法的基本思想也是构建控制律使得误差幅值的测定随着迭代次数的增减而减少。
本课题所述的梯度迭代学习控制策略也是基于矩阵理论和算子描述来进行研究的,从而建立和分析适当的信号空间的几何联系。
所以需要对梯度迭代学习控制使用与逆模型迭代学习控制相同的处理办法,通过分析仿真转速与期望转速的轨迹,证明梯度迭代学习控制策略有效。
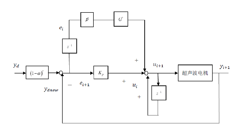
为了使所述控制策略可以用于非重复运动过程中,将所述控制策略与P型控制策略相结合,形成一种新的控制策略,通过仿真证明改进后的控制策略有效。
逆模型迭代学习控制主要针对线性算子G的逆矩阵展开研究和讨论,而梯度迭代学习控制主要针对线性算子G的伴随矩阵展开研究和讨论。
这两种控制算法都作为一种优化算法与迭代学习控制相结合,产生新的迭代学习控制律,通过证明存在一定取值范围的学习增益。
能够使误差序列单调递减,并通过分析转速仿真结果,证明这种基于优化的迭代学习控制策略可以应用于超声波电机转速控制。
