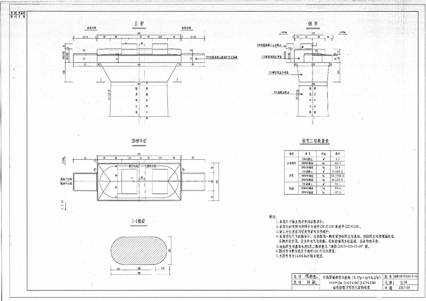
我们先来看一份桥梁平分中矢图纸,这是一份完整的考试图纸,要求计算支座垫石角点坐标,如下图:图纸较大显示不清晰,私信获取PDF版!
要计算前,我们先来明白梁在曲线上的布置方式和一些图纸的基本概念
1、 梁的布置
设在曲线上的钢筋混凝土简支梁式桥,每孔梁仍是直的,于是各孔梁中线的连接线成为折线,以适应梁上曲线线路之需要。但若按图1所示布置,使线路中线与梁的中线在梁端相交,则由图可以看出,线路中线总是偏在梁跨中线的外侧,当列车过桥时,外侧那片梁必然受力较大;况且列车运行时要产生离心力,使外侧的一片梁受力较大的现象更加严重。
为了使两片梁受力较为均衡,合理的布置方案应把梁的中线向曲线外侧适当移动。一般情况下梁的布置有两种方案:
⑴平分中矢布置:在跨中处梁的中线平分矢距f,即梁的中线与线路中线的偏距f1=f/2;在桥墩中线处梁的中线与线路中线的偏距E=f/2。这种布置的特点是内外侧两片梁的偏距相同(f1=E=f/2),故两片梁的人行道加宽值相等。
⑵切线布置:在跨中处梁的中线与线路中线相切,即偏距f1=0;在桥墩中心处梁的中线与线路中线的偏距为E=f。
2基本概念
桥梁工作线:在曲线上的桥,各孔梁中心线的连线是一折线,称桥梁工作线,与线路中线不一致,如图2, 2-是桥梁工作线,1 是线路中线。
桥墩中心:两相邻梁中心线之交点是桥墩中心,如图2中的A,B及C各点。基本概念中所述均指桥墩无预偏心的情况(见桥墩布置图3);有预偏心时见桥墩布置图4,桥墩中心在偏距的基础上再向曲线外侧偏移一距离,偏移距离详见设计图。
桥墩轴线:过桥墩中心作一直线平分相邻二孔梁中心线的夹角,这个角平分线即桥墩横轴(又称横向中线),如图2中的Bb ;过桥墩中心作桥墩横轴的垂线为桥墩纵轴(又称纵向中线)。
桥墩中心里程:桥墩横轴与线路中线之交点称桥墩中心在线路中线上的对应点,如图2中的a、b及c点。桥墩中心里程即以其对应点的里程表示之。
偏距E:桥墩中心与其对应点之间的距离称为偏距,如图2的Aa、Bb及Cc ;偏距的大小由梁长及曲线半径决定之。
弧距:两相邻桥墩中心对应点之间的曲线长度称为弧距,如图2中的 ab与bc ,但边孔之弧距为桥台胸墙(挡碴前墙)至相邻桥墩中心对应点之间的曲线长度。
偏角:两相邻梁中心线之转角称为偏角,如图2中的α角。
弦切角:弦线(即梁中心线)与桥墩中心处的切线(或切线之平行线)之夹角称弦切角,如图2中的β角。一个桥墩的左右二弦切角之和等于偏角。
交点距:两相邻桥墩中心或相邻二交点(指梁中线与相邻的左右二梁中心线相交的两个交点)之间的距离称交点距,如图2中的 及 长度;但边孔的交点距是指桥台胸墙中点与相邻桥墩中心之距离
2桥墩布置
如图3所示,桥墩中心位于相邻二梁中线之交点,这是指桥墩不设预偏心的情况;桥墩横轴为相邻二梁中线夹角的平分线。
如遇设有横向预偏心的桥墩,则应由两相邻梁中线交点(A点),沿桥墩横轴向曲线外侧移动一个预偏心值(AA′),作为桥墩中心(A′),如图4所示。基础、墩身、墩帽均应照此施工,但墩帽上支承垫石应按桥梁工作线施工,不设预偏心,如图5、6所示。
注意事项:
1、铁路单线桥梁的曲线半径R≥2000m时,曲线桥墩可不设横向预偏心,但设外矢距,即:线路中心坐标沿法线方向向曲线外侧偏移偏距E值后为桥墩中心。
2、铁路单线桥梁的曲线半径R<2000m时,曲线桥墩设横向预偏心和外矢距,即:线路中心坐标沿法线方向向曲线外侧偏移偏距E值和预偏心值后为桥墩中心。
3、铁路单线曲线桥台不设横向预偏心,桥台有直线布置和折线布置两种方案,应根据桥台尾处桥台中线与线路中线的偏距值大小而选定方案。
4、铁路双线曲线桥墩不设横向预偏心,但设外矢距。
5、纵向预偏心:铁路桥梁桥跨为不等跨时,应根据设计图确认是否设有纵向预偏心,即梁缝中心线与桥墩中心线不重合,一般桥墩中心线向大跨方向偏移。
6、以上所述横向、纵向预偏心设置仅限于普通铁路曲线桥梁施工的一般情况,具体应以施工图纸或通用图纸为准,施工中应熟悉图纸(设计图纸及通用图纸),做到心中有数,避免出现错误。
明白了上面内容,那么我们来计算该例,
第一步:将桥梁所属的平曲线输入软件(使用双心软件)
该平曲线数据为简单型三单元曲线,直接交点法输入转为线元参数计算,如下图:
二步:确定计算128#桥墩垫石需要的基础数据,桩号、第二偏角、第一偏距、第二偏距、第二偏角。这些数据的确定就是图纸提供的几何数据,计算思路如下图:
以左侧垫石1#和2#为例说明图纸数据,以墩中心线为基准线,第一偏距T=6/2-0.9-0.05,而又因为有E偏距的存在
所以第一偏距T= T=6/2-0.9-0.05-0.011
而第二偏距为图纸的0.9,同理右侧数据一个计算思路,只不过一个是+E,一个是-E,上图中的蓝色线为道路中心线。
第三步:输入双心软件提供的“不规则里程偏距坐标复核格式wsc.xls”表格中,如下图:
第四步:点击“从wsc/excel文件载入里程偏距计算”
计算完成:
第五步:生成脚本文件,在CAD中自动成图
该示例桥墩没有预偏心,但是有中矢距E!!!
【韩韩第四版课程】
